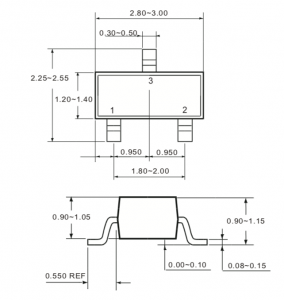
NPN GENERAL PURPOSE TRANSISTOR
FEATURES
• NPN epitaxial silicon, planar design
• Epitaxial planar die construction
• Complimentary to S8550
• Lead free in compliance with EU RoHS
NPN GENERAL PURPOSE TRANSISTOR
FEATURES
• NPN epitaxial silicon, planar design
• Epitaxial planar die construction
• Complimentary to S8550
• Lead free in compliance with EU RoHS