FEATURES
• NPN epitaxial silicon, planar design
• Epitaxial planar die construction
• As complementary type, the PNP transistor MMBT3906 is • Recommended
• Lead free in compliance with EU RoHS
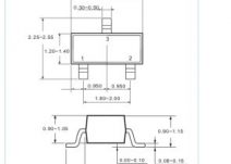
MECHANICAL DATA
• Case Material: Molded Plastic.
• UL Flammability Classification Rating 94V-0

