GLASS PASSIVATED JUNCTION RECTIFIER
for 1A1G, 1A2G, 1A3G ,1A4G, 1A5G, 1A6G, 1A7G
FEATURES
• Low forward voltage drop
• High current capability
• High reliability
• High surge current capability • High current capability
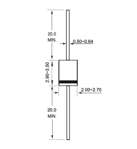
MECHANICAL DATA
• Case Material: Molded Plastic.
• UL Flammability Classification Rating 94V-0
Ordering Information • Packing information
|
1A1G~1A7G |
Packing Quantity |
|
Tape&Reel |
13 Inch; 5kpcs/Reel |
|
Ammo Packing |
5kpcs/Ammo Box |
|
Bulk(Tube/Box) |
1kpcs/Box |
